- 手機:
- 137 6026 2620
- 經理:
- 何經理
- 郵箱:
- jesion.he@ac-led.com.cn
- 地址:
- 深圳市光明區公明街道上村上輦工業區5棟3樓
產品概述內置MOS開關降壓恒流芯片
內置MOS開關降壓恒流芯片規格書
概述
HX3321是一款內置100V功率MOS高效率高精度開關降壓型大功率LED恒流驅動芯片。HX3321采用固定關斷時間的鋒值電流控制方式,關斷時間可以通過外部電容進行調節,工作頻率可以根據用戶要求而改變。HX3321通過調節外置的電流采樣電阻,能控制高亮度的LED燈的驅動電流,使LED燈亮度達到預期恒定亮度。
HX3321在DIM端加PWM信號,可以進行PWM調光,DIM端同時支持線性調光。
HX3321內部還集成了VDD穩壓管以及過溫保護電路燈,減少外圍元件并提高了系統的可靠性。并采
ESOP8封裝。底部散熱片內置接SW腳。
特點
◆內置100V,5A MOS
◆最大工作電流:2A
◆寬壓輸入范圍2.7-100v
◆高效率,可達93%
◆支持PWM和線性調光
◆最大工作頻率:1MHz
◆CS電壓:250mV
◆芯片供電欠電壓保護:3.2V
◆關斷時間可調
◆智能過溫保護
◆內置VDD穩壓管
定購信息
|
定購代碼 |
外型 |
包裝(個) |
打印 |
|
HX3321B |
ESOP8 |
3000/盤 |
HX3321BXXXX |
管腳圖
|
腳位圖 |
序號 |
管腳 |
功能 |
|
ESOP8 |
1 |
GND |
接地 |
|
2 |
NC |
懸空 |
|
|
3 |
DIM |
調光腳,支持PWM調光和線性調光;DIM接地則關斷輸出,DIM電壓高過3.0V則電流100%輸出 |
|
|
4 |
SW |
開關腳,接內置MOS管漏極 |
|
|
5 |
CS |
5,6腳短接,電感峰值電流檢測腳 |
|
|
6 |
CS |
5,6腳短接,電感峰值電流檢測腳 |
|
|
7 |
TOFF |
關斷時間設置 |
|
|
8 |
VDD |
芯片電源 |
應用領域
◆自行車,電動車,摩托車燈
◆強光手電筒
◆LED射燈,臺燈
◆大功率LED照明
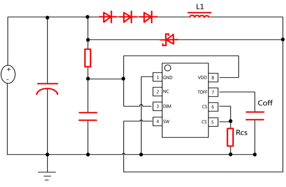
內部框圖及典型應用
極限參數
如無特殊說明,環境溫度為25℃
|
符號 |
描述 |
參考范圍 |
單位 |
|
VDD |
VDD端最大電壓 |
5.5 |
V |
|
VMAX |
DIM、TOFF與CS腳電壓 |
-0.3∽VDD+0.3 |
V |
|
VSW |
SW腳的最大電壓 |
100 |
V |
|
PESOP8 |
ESOP8封裝最大功耗 |
0.8 |
W |
|
TA |
工作溫度范圍 |
-20∽80 |
℃ |
|
TSTG |
存儲溫度 |
-40∽120 |
℃ |
|
TSD |
焊接溫度范圍(時間小于30秒) |
240 |
℃ |
|
TESD |
靜電耐壓值(人體模型) |
2000 |
V |
注:極限參數超過上表中規定的工作范圍可能導至器件損壞。而工作在以上條件下可能會導致器件的可靠性。
電特性
如無特殊說明,VDD=5.5V,TA=25℃
|
參數 |
符號 |
測試條件 |
最小值 |
典型值 |
最大值 |
單位 |
|
|
電源電壓 |
|||||||
|
VDD鉗位電壓 |
VDD |
IVDD<10mA |
|
5.5 |
|
V |
|
|
欠壓保護電壓 |
VDD_UVLO |
VDD上升 |
|
2.5 |
|
V |
|
|
欠壓保護遲滯 |
VDD_HYS |
|
|
0.5 |
|
V |
|
|
電源電流 |
|||||||
|
工作電流 |
IOP |
FOP=200KHz |
|
1.5 |
|
mA |
|
|
待機輸入電流 |
IINQ |
無負載,EN為低電平 |
|
200 |
|
uA |
|
|
峰值電流采樣 |
|||||||
|
VCS閾值 |
VCS_TH |
|
245 |
255 |
265 |
mV |
|
|
關斷時間 |
|||||||
|
最小關斷時間 |
TOFF_MIN |
TOFF腳無外接電容 |
|
650 |
|
ns |
|
|
DIM 調光 |
|
|
|
|
|
|
|
|
線性調光范圍 |
VDIM |
|
1.1 |
|
3.0 |
V |
|
|
DIM關斷電壓 |
|
|
|
0.2 |
|
V |
|
|
內置MOS開關 |
|||||||
|
MOS管耐壓 |
VDS |
|
100 |
|
|
V |
|
|
MOS管導通內阻 |
RDSON |
VGS=5V |
|
150 |
|
m? |
|
|
過溫保護 |
|||||||
|
過溫調節 |
OTP_TH |
|
|
140 |
|
℃ |
|
功能描述
HX3321采用峰值電流檢測和固定關斷時間的控制方式。電路工作在開關管導通和關斷兩咱狀態。參見首頁所示的典型應用電路,當MOS開關管處于導通狀態時,輸入電壓VIN通過LED燈、電感L1,MOS開關管、電流檢測電阻RCS對電感充電,流過電感的電流隨充電時間逐漸增大,當電流檢測電阻RCS上的電壓降達到電流檢測閾值電壓VCS_TH時,控制電路關斷MOS開關管。當MOS開關管處于關斷狀態時,電感通過由LED燈、續流二極管以及電感自身組成的環路對電感儲能放電。MOS開關管在關斷一個固定時間TOFF后,重新回到導通狀態,并重復以上導通與關斷過程。
TOFF設置
固定關斷時間可由連接到TOFF引腳端的電容COFF設定:
TOFF=0.51*150K?*(COFF+8pF)+TD
其中TD=61ns,如果不接COFF,內部關斷時間設定為650ns。
輸出電流設置
LED輸出電流由電流采樣RCS以及TOFF等參數設定:
ILED=0.25/RCS - (VLED*TOFF)/2L1
其中VLED是LED的正向導通壓降,L1是電感值。
電感取值
為保證系統輸出恒流特性,電感電流應該工作在連續模式,要求的最小電感電流取值為: L1>4VLED*TOFF*RCS
系統工作頻率
系統工作頻率FS由下式確定:
FS=(VIN-VLED)/(VIN*TOFF)
DIM調光腳
HX3321可通過DIM腳進行調光,DIM腳支持PWM調光及線性調光。當DIM腳接地,芯片關斷LED輸出;當DIM腳電壓高過3.0V,LED輸出100%電流。DIM腳線性調光范圍在1.1-3.0V。當不需要調光功能時,DIM腳應接高電平,DIM腳不允許懸空。在采用線性調光時,DIM腳對地應該接一個小電容(例如10NF以上電容)
芯片布局考慮
電流檢測電阻RCS到芯片CS引腳以及GND引腳的連線需盡量粗而短,以減少連線寄生電阻對輸出電流精度的影響。
供電電阻選擇
HX3321通過供電電阻RVDD對芯片VDD供電:
RVDD=(VIN-VDD)/IVDD
其中VDD取5.5V,IVDD典型值取2mA,VIN為輸入電壓。當開關頻率設置的較高時,芯片工作電流會增大,相應地應減小供電電阻取值。
芯片內部接VDD腳的穩壓管最大鉗位電流不超過10mA,應注意RVDD的取值不能過小,以免流入的VDD電流超過允許值,否則需外接穩壓管鉗位。
過溫保護
當芯片溫度過高時,系統會限制輸入電流峰值,典型情況下當芯片內部溫度超過140℃以上時,過溫調節開始起作用;隨溫度升高輸入峰值電流逐漸減小,從而限制輸入功率,增強系統可靠性。
PCB設計說明
1、VDD電容必須靠近芯片的Pin1、Pin8腳(電容離芯片腳不遠于1.5MM),電容的接地端必須同一面,并與GND最短距離,否則芯片會由于電容的濾波不好而造成不良。
2、GND(Pin1)腳到CS腳走線盡可能地粗、短,降低接地的寄生電阻。
3、IC底部焊盤不能與GND(pin1)相連,IC底部散熱焊盤覆銅面積越大越好,有利于IC的散熱。
4、測試時請帶上防靜電手套,除了防止靜電外,更重要是防止在上電測試過程中,人手直接碰觸PCB,造成某兩個節點短路,造成模塊工作異常引發失效或者漏電。
5、生產制程中的設備(如烙鐵、電源機)外殼需要良好的接地,防止設備的交流漏電損壞芯片。
上一條 : 已經沒有了!
下一條 : HX3220A DC-DC 降壓恒流芯片
