永利高现金网-永利高a1_百家乐真人视频出售_全讯网qxw11119(中国)·官方网站

網站公告:
LED驅動及電源管理IC專業方案設計企業_深圳市華芯光電有限公司,我們恭迎您的來電! 誠信為本:市場在變,誠信永遠不變...
全國服務熱線:0755-23500973
LED驅動方案News
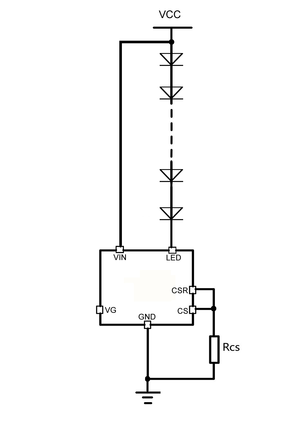
DC48V球泡燈磁吸燈恒流驅動
作者:華芯  來源:本站  發表時間:2023-06-07 08:35:36   瀏覽:

DC48V 磁吸燈、球泡燈恒流芯片forsinoco_HXE330


◆燈泡拼接長,解決壓差問題,讓燈首尾亮度一致。

◆IC與燈條一體化,節省空間,生產效率高,DOB結構可做超薄。

◆無EMI問題,外圍簡單,性能可靠、穩定 。

◆適用于DC5V 、12V、24V、36V、DC48V 恒壓供電恒流照明燈具。


型號

輸出電流

封裝

最小輸入電壓V-min

端口耐壓

恒流轉折

電壓差Vdrop

主要應用

技術描述

包裝/盤

HXE330

350MA

ESOP8

4.5V

60V

0.5V

燈條、燈管、洗墻燈、射燈、

筒燈、磁吸燈等低壓照明

/

4000PCS

赚钱的棋牌游戏| 东兰县| A8百家乐娱乐| 百家乐官网八卦投注法| 百家乐变牌器| 百家乐官网黑牌靴| 新奥博百家乐官网娱乐城| 威尼斯人娱乐场有什么玩| JJ百家乐官网的玩法技巧和规则 | 百家乐信誉平台开户| 精英百家乐官网现金网| 网上百家乐赌| 娱乐城百家乐官网的玩法技巧和规则| 皇家轮盘| 太阳城橙翠园| 大发888使用条款| 澳门百家乐代理| 百家乐官网翻天粤语下载| 裕昌太阳城户型图| 百家乐视频游戏盗号| 澳门百家乐官网怎么| KK娱乐| 大发888注册官方网站| 视频百家乐是真是假| 夜总会百家乐官网的玩法技巧和规则 | 网上百家乐官网内| 百家乐官网棋牌技巧| 哪个百家乐平台信誉好| 赌博百家乐官网赢钱方法| 华人博彩网| 大发888真人真钱网址| 沙龙百家乐娱乐场开户注册 | 宣威市| 百家乐赌博策略论坛| 贝博百家乐官网的玩法技巧和规则| 百家乐官网洗码全讯网| bet365指数| 海口太阳城大酒店| 喜力百家乐的玩法技巧和规则| 百家乐官网稳赢秘诀教学| 百家乐官网的破解方法|