- 手機:
- 137 6026 2620
- 經理:
- 何經理
- 郵箱:
- jesion.he@ac-led.com.cn
- 地址:
- 深圳市光明區公明街道上村上輦工業區5棟3樓
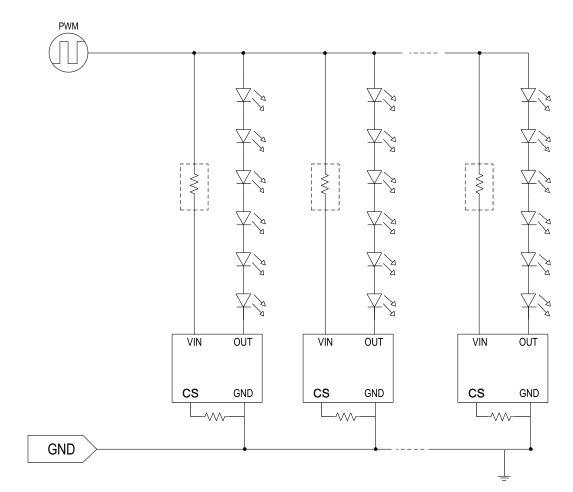
『HX212-2A120R高品質.高性價比.恒流燈條方案』
-單端供電50米前后亮度一致-
|
編號 |
型號 |
封裝 |
電流 |
耐壓 |
實物 |
絲印 |
主要應用 |
售價 |
|
1 |
HX212A |
SOT23-6 |
5-120ma可調 |
60V |
|
2A120R |
12/24V/36V/48V恒流燈帶/模組 |
|
硬燈條,軟燈條,燈帶,廣告模組的恒流IC解決方案,完美解決了因電源電壓衰減造成的LED亮度不一致問題。
分布式恒流架構工作方式:大大減少了LED的光衰,大大增加了產品的使用壽命,大大增加了產品工作穩性;最適合于高端用戶:
適合地鐵/公交/商場等高端工程訂單,日/韓/臺灣/歐美出品訂單,3-5年以上質保訂單的市場需求。
優勢評估:
R 溫控功能,可根據應用條件,調節溫度。
R 燈帶單線PWM調光,支持高頻率,16K上無紋波,線性度好。
R SOT23-6L,大封裝,散熱好,軟板防折短工藝。
R 耐壓高,正、反接不燒燈。
R 輸入電壓范圍寬,最高承受50V壓差。

上一條 : 磁吸線性燈、射燈恒流驅動IC
下一條 : 攝影燈補光燈恒流驅動IC無極調光